Item: VX20-NC - Mini multi stage vacuum generator. 1/8 NPSF air i... (Full Description below)
| |
Item#: VX20-NC Price: $65.53 ea.
|
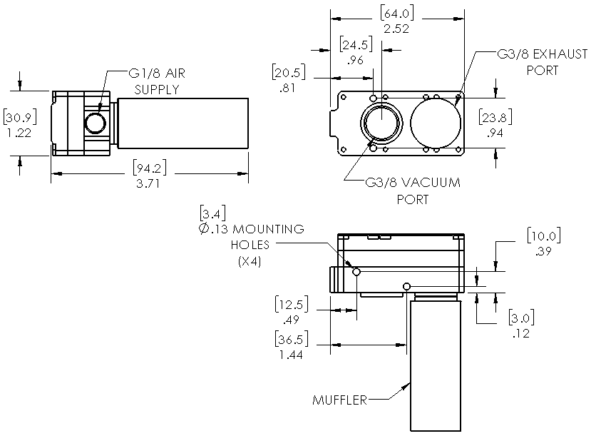
Mini multi stage vacuum generator. 1/8 NPSF air inlet with 3/8 NPSF vacuum port. 3.52 scfm vacuum flow and 27.5 Hg
General Specifications
Vacuum Flow(SCFM): 3.5 Vacuum Port: 3/8" NPSF Supply Port: 1/8" NPSF Air Consumption: 2.78 Max Vac -inHg": 27 Weight(lbs)": 0.11
Recommended replacement for: X20A5-CN, 3222279, X20A6-CN
|
|
|
|
Additional Information
No additional information available for this item
CAD files for this Product
N/A