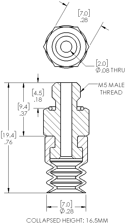
Item: MB7-SIT-5M - 7.5mm 2.5 bellows FDA Silicone suction cup with M... (Full Description below)
| |
Item#: MB7-SIT-5M Price: $5.78 ea.
|
7.5mm 2.5 bellows FDA Silicone suction cup with M5 male fitting
General Specifications
Style: Bellows Cleats: No Material: Silicone Thread Size: M5 male Bellows: 2.5 Outside Diameter: 7.5mm Weight(lbs): 0.0033 Color: Translucent Lifting Capacity: See Chart [X] CloseLifting Capacity for Item MB7-SIT-5M 
| Level of Vacuum (inHg) |
Horizontal |
Vertical |
| 6"Hg |
0.08 lbs. |
0.04 lbs. |
| 18"Hg |
0.24 lbs. |
0.12 lbs. |
| 27"Hg |
0.36 lbs. |
0.18 lbs. |
***Disclaimer: Lifting capacity for handling a non-porous surface. Figures are theoretical and based on 80% of suction cup outside diameter with a 2:1 safety margin for horizontal lifting and a 4:1 safety margin for vertical lifting.
Includes fitting?: YES
Recommended replacement for: PCTM-7-SI-M5 |
|
|
|
Material Specifications
| Material name |
Wear Resistance |
Oil |
Weather & Ozone |
Temperature Range |
| Silicone |
Good |
Good |
Excellent |
-94 to 392 °F (-70 to 200 °C) |
Video of Product in Action

No Videos available for: MB7-SIT-5M
No CAD files available for this Product