Item: 10F.025.101.01 - 25mm flat black NBR suction cup with cleats (1002... (Full Description below)
| |
Item#: 10F.025.101.01 Price: $3.54 ea.
|
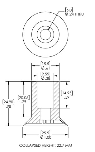
25mm flat black NBR suction cup with cleats (1002)
General Specifications
Style: Flat Cleats: Yes Material: NBR Thread Size: None Outside Diameter: 25.0mm Weight(lbs): .0365 Color: Black Lifting Capacity: See Chart [X] CloseLifting Capacity for Item 10F.025.101.01 
| Level of Vacuum (inHg) |
Horizontal |
Vertical |
| 6"Hg |
0.91 lbs. |
0.45 lbs. |
| 18"Hg |
2.73 lbs. |
1.36 lbs. |
| 27"Hg |
4.10 lbs. |
2.05 lbs. |
***Disclaimer: Lifting capacity for handling a non-porous surface. Figures are theoretical and based on 80% of suction cup outside diameter with a 2:1 safety margin for horizontal lifting and a 4:1 safety margin for vertical lifting.
Includes fitting?: NO
Recommended replacement for: VC-2E3, 1002 |
|
|
|
Material Specifications
| Material name |
Wear Resistance |
Oil |
Weather & Ozone |
Temperature Range |
| NBR |
Good |
Good |
Excellent |
-40 to 266 °F (-40 to +130 °C) |
Video of Product in Action

No Videos available for: 10F.025.101.01
Related CAD files of Product