Item: 35B.030.001.02MD - 30mm 3.5 bellows FDA Silicone metal detectable su... (Full Description below)
| |
Item#: 35B.030.001.02MD Price: $13.13 ea.
|
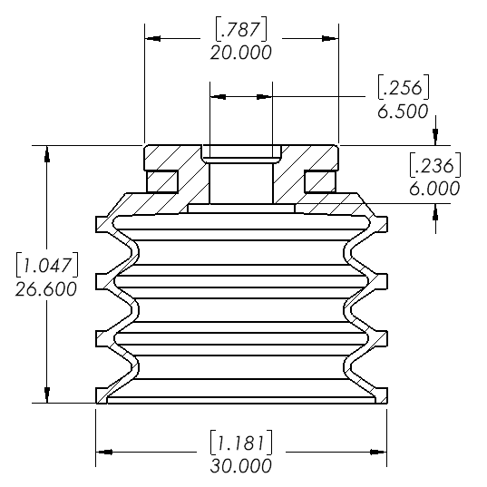
30mm 3.5 bellows FDA Silicone metal detectable suction cup
General Specifications
Style: Bellows Cleats: No Material: Silicone Thread Size: None Bellows: 3.5 Outside Diameter: 30.0mm Weight(lbs): .0125 Color: Blue Lifting Capacity: See Chart [X] CloseLifting Capacity for Item 35B.030.001.02MD 
| Level of Vacuum (inHg) |
Horizontal |
Vertical |
| 6"Hg |
1.31 lbs. |
0.65 lbs. |
| 18"Hg |
3.94 lbs. |
1.97 lbs. |
| 27"Hg |
5.91 lbs. |
2.95 lbs. |
***Disclaimer: Lifting capacity for handling a non-porous surface. Figures are theoretical and based on 80% of suction cup outside diameter with a 2:1 safety margin for horizontal lifting and a 4:1 safety margin for vertical lifting.
Includes fitting?: NO |
|
|
|
Material Specifications
| Material name |
Wear Resistance |
Oil |
Weather & Ozone |
Temperature Range |
| Silicone |
Good |
Good |
Excellent |
-94 to 392 °F (-70 to 200 °C) |
Video of Product in Action

No Videos available for: 35B.030.001.02MD
Related CAD files of Product