Item: 084015S - 40mm flat Silicone suction cup with G1/4 male fit... (Full Description below)
| |
Item#: 084015S Price: $38.60 ea.
|
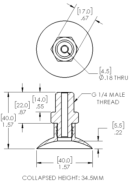
40mm flat Silicone suction cup with G1/4 male fitting
General Specifications
Style: Flat Cleats: Yes Material: Silicone Thread Size: 1/4" male Outside Diameter: 40.0mm Weight(lbs): 0.031 Color: Translucent Lifting Capacity: See Chart [X] CloseLifting Capacity for Item 084015S 
| Level of Vacuum (inHg) |
Horizontal |
Vertical |
| 6"Hg |
2.33 lbs. |
1.16 lbs. |
| 18"Hg |
7.01 lbs. |
3.50 lbs. |
| 27"Hg |
10.51 lbs. |
5.25 lbs. |
***Disclaimer: Lifting capacity for handling a non-porous surface. Figures are theoretical and based on 80% of suction cup outside diameter with a 2:1 safety margin for horizontal lifting and a 4:1 safety margin for vertical lifting.
Includes fitting?: YES |
|
|
|
Material Specifications
| Material name |
Wear Resistance |
Oil |
Weather & Ozone |
Temperature Range |
| Silicone |
Good |
Good |
Excellent |
-58 to 572 °F (-50 to 300 °C) |
Video of Product in Action

No Videos available for: 084015S
Related CAD files of Product