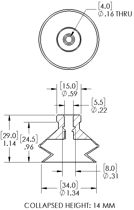
Item: V-ZP32BS - 35mm single bellows Silicone suction cup with loc... (Full Description below)
| |
Item#: V-ZP32BS Price: $6.71 ea.
|
35mm single bellows Silicone suction cup with locking ring
General Specifications
Style: Bellows Cleats: No Material: Silicone Thread Size: None Bellows: 1.5 Outside Diameter: 35.0mm Weight(lbs): .0200 Color: Translucent Lifting Capacity: See Chart [X] CloseLifting Capacity for Item V-ZP32BS 
| Level of Vacuum (inHg) |
Horizontal |
Vertical |
| 6"Hg |
1.78 lbs. |
0.89 lbs. |
| 18"Hg |
5.36 lbs. |
2.68 lbs. |
| 27"Hg |
8.05 lbs. |
4.02 lbs. |
***Disclaimer: Lifting capacity for handling a non-porous surface. Figures are theoretical and based on 80% of suction cup outside diameter with a 2:1 safety margin for horizontal lifting and a 4:1 safety margin for vertical lifting.
Includes fitting?: NO
Recommended replacement for: ZP32BS |
|
|
|
Material Specifications
| Material name |
Wear Resistance |
Oil |
Weather & Ozone |
Temperature Range |
| Silicone |
Good |
Good |
Excellent |
-94 to 392 °F (-70 to 200 °C) |
Video of Product in Action

No Videos available for: V-ZP32BS
No CAD files available for this Product