Item: 10.032.704.01 - 32mm flat NBR suction cup with cleats. 40 Shore ... (Full Description below)
| |
Item#: 10.032.704.01 Price: $20.21 ea.
|
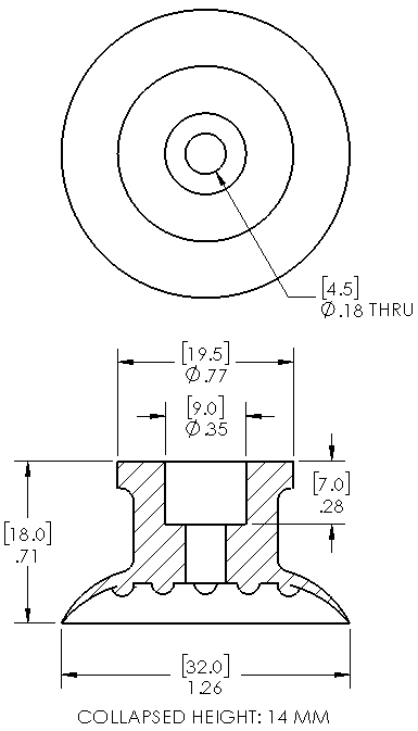
32mm flat NBR suction cup with cleats. 40 Shore A
General Specifications
Style: Flat Cleats: Yes Material: NBR Thread Size: None Outside Diameter: 32.0mm Weight(lbs): .0084 Color: Yellow Lifting Capacity: See Chart [X] CloseLifting Capacity for Item 10.032.704.01 
| Level of Vacuum (inHg) |
Horizontal |
Vertical |
| 6"Hg |
1.49 lbs. |
0.74 lbs. |
| 18"Hg |
4.48 lbs. |
2.24 lbs. |
| 27"Hg |
6.73 lbs. |
3.36 lbs. |
***Disclaimer: Lifting capacity for handling a non-porous surface. Figures are theoretical and based on 80% of suction cup outside diameter with a 2:1 safety margin for horizontal lifting and a 4:1 safety margin for vertical lifting.
Includes fitting?: NO |
|
|
|
Material Specifications
| Material name |
Wear Resistance |
Oil |
Weather & Ozone |
Temperature Range |
| NBR |
Good |
Good |
Excellent |
-40 to 266 °F (-40 to +130 °C) |
Video of Product in Action

No Videos available for: 10.032.704.01
No CAD files available for this Product